中國上海,2025年3月13日——東芝電子元件及存儲裝置株式會社(“東芝”)今日宣布,量產面向車載直流有刷電機應用的柵極驅動IC[1]——“TB9103FTG”,其典型應用包括用于電動后門和電動滑門的閂鎖電機[2]和鎖定電機[3],以及電動車窗和電動座椅的驅動電機等。
汽車部件現已基本實現電氣化,電機的需求以及在汽車中集成的電機數量都在增加。隨著電動機中使用的驅動IC數量的增加,人們更傾向采用高集成度和小型化的系統解決方案。此外,有些電機應用不需要控制轉速,只需具有簡單功能和性能的驅動IC。
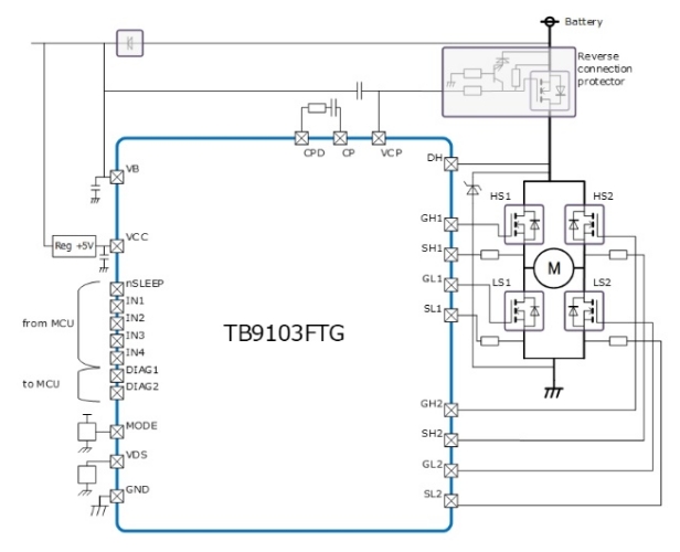
TB9103FTG可為無需控制速度的直流有刷電機提供優化的柵極驅動IC功能和性能,為實現更緊湊設計開辟了道路。它具有內置的電荷泵電路[4],可確保為驅動電機外部MOSFET供電所需的電壓。此外,它還具有柵極監控功能,可通過為高低側外部MOSFET自動控制柵極信號輸出時序,防止生成直通電流。與此同時,該IC還內置睡眠功能,可在待機時降低功耗。
這款全新IC既可用作單通道H橋,也可用作雙通道半橋。除了作為電機驅動IC外,它還能與外部MOSFET結合,替代機械式繼電器以及其它機械開關,有助于實現更安靜的運行以及更高的設備可靠性。
H橋模式的應用電路示例
TB9103FTG采用4.0 mm×4.0 mm(典型值)VQFN24封裝,有助于縮小設備尺寸。
東芝網站上現已發布“使用TB9103FTG的車載直流有刷電機控制電路”的參考設計。
未來東芝將繼續擴大其車載電機驅動IC的產品線,為車載設備的電氣化和安全性提高做出貢獻。
應用:
車載設備
-用于電動后門及電動滑門使用的閂鎖電機和鎖定電機的驅動器;用于車窗和電動座椅等的電機的驅動器
特性:
-精簡的功能和性能有助于小型化
-小型封裝
-低待機功耗(內置睡眠功能)
-可用作單通道H橋或雙通道半橋的柵極驅動IC
-符合AEC-Q100(Grade 1)標準
主要規格:

注:
[1] 柵極驅動IC:驅動MOSFET的驅動IC。
[2] 閂鎖電機:系統中用于保持車門關閉的電機。
[3] 鎖定電機:系統中與鑰匙配合工作,為車門上鎖和開鎖,以防出現犯罪行為而使用的電機。
[4] 電荷泵電路:使用電容器和開關升壓的電路。